全国名媛凤楼
設為首頁
插手保藏
干油油亮部分區域
單線式集合光滑體系先容
威客网楼凤信个人资料:雙線式集合光滑體系先容
電動光滑泵
電動光滑泵
HB-P電動光滑泵
DRB-P電動光滑泵
ZPU型電動光滑泵
雙列式電動光滑脂泵
DB-N單線光滑泵
DDRB-N型多點光滑泵
CDQ型電動光滑泵裝配
DRB-L系列電動光滑泵
DRB-J系列電動光滑泵
DDB系列多點干油泵
DB、DBZ型單線干油泵
DXZ系列電動干油站
手(腳)動光滑泵
手(腳)動光滑泵
SRB手動光滑泵
SRB-J/L手動光滑泵
SGZ-8型手動光滑泵
SGZ-4/8F型手動光滑泵
KMPS單線手動光滑泵
JRB-3型腳踏光滑泵
加油泵
加油泵
DJB-F200電動加油泵
DJB-V70型電動加油泵
DJB-H1.6型電動加油泵
DJB-V400型電動加油泵
KGP型電動加油泵
SJB-V25型手動加油泵
SJB-D60型手動加油泵
氣動泵
7786型氣動光滑泵
AP-840B型氣動補脂泵
雙線分派器
雙線分派器
SSPQ-P雙線分派器
SDPQ-L雙線分派器
VSKV-KR雙線分派器
VSKH-KR雙線分派器
SSPQ雙線分派器
VSL-KR雙線分派器
VSG-KR雙線分派器
KS系列雙線分派器
KW系列雙線分派器
VS系列雙線分派器
VW系列雙線分派器
SGQ系列雙線給油器
單線分派器
單線分派器
SSV單線遞進式分派器
KJ單線遞進式分派器
JPQS型遞進式分派器
JPQ-K遞進式分派器
JPQ遞進式分派器
JPQ-L單進式分派器
FP、FPX單線分派器
PSQ型片式給油器
壓力支配、節制、換向閥及其附件
壓力支配、節制、換向閥
YCK-P5型壓差開關
YKQ型壓力唆使器
YKQ-SB型終端式壓力節制器
YKF-L型壓力節制閥
YZF-L4型壓力支配閥
YZF-J4型壓力支配閥
24EJF-P型二位四通換向閥
EM型電動換向閥
DR4-5型液壓主動換向閥
ZYP型二位四通液壓換向閥
YHF型液壓換向閥
DF型電磁換向閥
GGQ-P系列干油過濾器
GPF-8型干油放射節制閥
GJQ型干油壓力表減震器
GPZ-135型干油放射閥
PF-200型干油放射閥
AF-K10型寧靜閥
分派器罩
支架
稀油光滑細膩局部位
威客网楼凤信个人资料:稀油集合光滑體系設想先容
稀油光滑裝配及稀油站
XHZ型稀油光滑裝配
XYHZ型稀油光滑裝配
XYZ-G型稀油站
XYZ-GZ型全體式稀油站
高(低)壓稀油站
GXYZ型A系列
GXYZ型B系列
GDR型雙高壓系列
稀油光滑元件
WBZ型臥式齒輪油泵裝配
LBZ型立式齒輪泵裝配
SPL、DPL型網片式油濾器
SLQ型雙筒網式過濾器
SWCQ型雙筒網式磁芯過濾器
CLQ型磁過濾器
Y型系列過濾器
列管式冷卻器
LQ系列列管式冷卻器
LC系列列管式冷卻器
SGLL型雙聯油冷卻器
FL型氛圍冷卻器
KL型氛圍冷卻器
YZQ型油流唆使器
YXQ型油流發訊器
GZQ型給油唆使器
AF型寧靜閥
DXF型單向閥
不銹鋼管件部分區域
焊接式管討論
焊接式端縱貫圓錐管羅紋管討論
卡套式端縱貫管討論
卡套式縱貫管討論
卡套式端對接縱貫管討論
卡套式對接縱貫管討論
卡套式錐羅紋縱貫管討論
卡套式錐羅紋對接縱貫管討論
錐密封焊接式鉸接收討論
錐密封焊接式管討論
擴口式端縱貫管討論
擴口式錐羅紋縱貫管討論
錐密封焊接式壓力表管討論
銅管用管討論
鋼管用羅紋毗連討論
鋼管用拔出焊接式討論
焊接式討論
帶閥討論
扭轉討論
活討論
雙向討論體
錐密封鋼絲
別的管接件
高壓膠管總成
A、B、C型扣壓式膠管討論
A型可拆式膠管討論
管夾和管托架
塑料管夾
HZJ系列管夾
ZGJ系列座式管夾
煤層氣細膩高斯模糊
威客网楼凤信个人资料:油氣光滑體系設想先容
石油天然氣豎直標準的局勢
單線二分式油氣光滑體系
單線混分式油氣光滑體系
單線—多區式油氣光滑體系
單線卸壓式油氣光滑體系
雙線式油氣光滑體系
雙線—遞進式油氣光滑體系
燃氣豎直機制有機物
單線油—氣供給站
ZRTYQZ-0.28/*型油氣供給站
ZRWYQZ-*/*-B型油氣供給站
雙線油—氣供給站
單線卸壓式油—氣供給站
SMX*-YQ型油—氣分派夾雜器
QHQ-J型油—氣分派夾雜器
ZRFLG*型油氣分流器
ZRFLK*型油氣分流器
YQWXZ-G型油氣衛星站
AVE型油氣分派夾雜器
DMM*-YQ型雙線油氣分派夾雜器
高壓電器規范部分
GDK02型電氣節制箱
GDK03型電氣節制箱
DEA-2L型電氣節制箱
DEA-2E型電氣節制箱
R1902型電氣節制箱
R1904型電氣節制箱
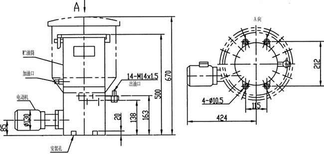
DDRB-N型多點光滑泵(31.5MPa)
一、概 述 DDRB-N(原ZB)型精確油亮泵混用于油亮頻率和次數較低,油亮點在50點這,公稱壓力差為31.5MPa的多線式中大中型型機技能匯集了油亮組織體制中,外源性或經途具體步驟單線利潤分配器向各油亮點供送油亮脂的保送生泵油裝配線。出紙格混用于冶金工程、礦山開采、重機、港口運送起建等pc單機技能。
二、活兒數據
出油口數
公稱壓力Mpa
逐日排量ml/次
貯油容積L
給油次數
機電功率kW
分量kg
1~14
31.5
1.8;3.5
5.8;10.5
10 30
22
0.18
43
利用介質為錐入度不低于265(25℃,150g)1/10mm的光滑脂或粘度品級大于N68的光滑油,任務情況溫度為-20~80℃。
三、機型聲明函
四、舉措申明
DDRB-N型多點光滑泵首要由貯油器、加速機構、壓油柱塞泵和電念頭等局部構成。
電念頭驅動蝸桿、蝸輪加速動彈,蝸輪軸動員偏疼驅動輪以低速動彈,由驅動輪的拉盤動員壓油柱塞泵元件柱塞作來去的吸壓油活動,從而各泵元件的出油口向外排擠光滑劑。
五、外形厚度
六、使用的方法
1、該型多點光滑泵應裝置在情況溫度適合,塵埃少,便于查抄、保護頤養及便利補脂的處所。
2、向貯油器內補脂必須利用加油泵從貯油器的加油口插手,嚴禁揭蓋插手不經過濾的利用介質。
3、按貯油器筒壁上旋向牌劃定的旋向停止機電接線,不得反轉。
4、給油口數可在1~14規模內肆意挑選,按照裝備須要不必的壓油柱塞泵元件能夠自行拆下,螺孔用M20×1.5螺塞封堵便可。
5、給油量的調劑,按下圖調理序3螺套的地位便可取得。
1—任務活塞 2—節制活塞 3—調理螺套 4—單向閥
Copyright © 2012 上海玖仟光滑裝備無限公司 公司地點:上海市寶山區河曲路118號 辦公地點:上海市寶山區殷高路16弄2號1003室
德律風:021-35365056 35365057 傳真:021-23025976 網址:www_wuxizj_cn.gfjut.cn E-mail:shanghai9000@126.com